380三相4線電表接線圖-三相4線電表接線方法圖解-KIA MOS管
信息來源:本站 日期:2018-10-31
380三相4線電表接線圖,翻過接線端子蓋,就可以看到三相四線電表接線圖。其中1、4、7接電流互感器二次側S1端,即電流進線端;3、6、9接電流互感器二次側S2端,即電流出線端;2、5、8分別接三相電源;10、11是接零端。為了安全,應將電流互感器S2端連接后接地。 注意的是各電流互感器的電流測量取樣必須與其電壓取樣保持同相,即1、2、3為一組;4、5、6 為一組;7、8、9 為一組。
三相四線制,在低壓配電網中,輸電線路一般采用三相四線制,其中三條線路分別代表A,B,C三相,另一條是中性線N或PEN(如果該回路電源側的中性點接地,則中性線也稱為零線(老式叫法,應逐漸避免,改稱PEN,如果不接地,則從嚴格意義上來說,中性線不能稱為零線)。在進入用戶的單相輸電線路中,有兩條線,一條我們稱為相線L,另一條我們稱為中線N,中線正常情況下要通過電流以構成單相線路中電流的回路。而三相系統中,三相平衡時,中性線(零線)是無電流的,故稱三相四線制;在380V低壓配電網中為了從380V線電壓中獲得220V相電壓而設N線,有的場合也可以用來進行零序電流檢測,以便進行三相供電平衡的監控。
PE線(保護接地線),在用戶側需要重復接地,以提高可靠性。但是,重復接地只是重復接地,它只能在接地點或靠近接地的位置接到一起,但絕不表明可以在任意位置特別是戶內可以接到一起。
注意“三相四線”制是帶電導體系統分類中的一種, [1] 和接地系統分類無任何關系,應注意避免“三相五線制”這種錯誤的叫法。 [2] TN-S系統也不是“三相五線制”。任一帶電導體系統都可采用任一接地系統。例如三相四線帶電導體系統,可采用TN-S接地系統,也可采用TN-C-S或TT接地系統。這三種接地系統的末端都是五根線,都可稱作“三相五線制”,那又如何將他們加以區分呢?因此“三相五線制”是一個混淆接地系統和帶電導體系統兩個互不關聯的系統的錯誤名詞,在編制電氣規范和設計文件時應注意避免采用。GB16895.1-2008里沒有“三相五線制”的提法,只有“三相四線制”。“三相四線制”屬于帶電導體系統分類中的一種,TN-S系統屬于接地系統分類中的一種。
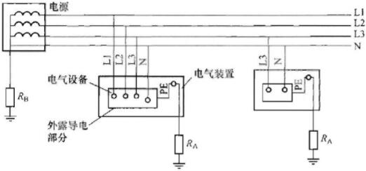
以下圖為例,下圖中有3根相線,1根N線,1根PE線,但顯然不是TN-S系統,而是TT系統。下圖的帶電導體系統分類屬于“三相四線制”,接地系統分類屬于“TT系統”。

聯系方式:鄒先生
聯系電話:0755-83888366-8022
手機:18123972950
QQ:2880195519
聯系地址:深圳市福田區車公廟天安數碼城天吉大廈CD座5C1
請搜微信公眾號:“KIA半導體”或掃一掃下圖“關注”官方微信公眾號
請“關注”官方微信公眾號:提供 MOS管 技術幫助