開關電源功率變換電路圖,原理-KIA MOS管
信息來源:本站 日期:2026-04-10
功率變換電路是開關電源的核心部分,負責將整流濾波后的高壓直流電(如310V)通過高頻開關動作,轉換為所需電壓等級的直流電(如12V、5V等)。該過程基于高頻PWM(脈寬調制)控制和電磁能量存儲與釋放原理。
電路組成:
開關管(MOSFET):在PWM信號控制下高速導通/截止。
開關變壓器:實現電壓變換與電氣隔離。
電源管理芯片:生成PWM信號,調節占空比以穩定輸出。
工作原理:
1.整流濾波:市電經整流濾波得到約310V直流電壓。
2.高頻斬波:PWM芯片驅動MOSFET,將310V直流“斬”成高頻脈沖。
3.變壓器耦合:高頻脈沖加至變壓器初級,次級感應出對應電壓。
4.整流濾波輸出:次級經二極管整流、電容濾波,輸出穩定直流(如12V)。
5.反饋穩壓:輸出電壓通過分壓電阻采樣,與基準比較,調整PWM占空比,實現閉環穩壓。
關鍵控制因素:
占空比(D=t_ON/T):占空比越大,輸出電壓越高。
變壓器匝數比(N1:N2):決定電壓變換比例,理想情況下V1/N2=N1/N2。
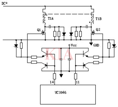
R4、C3、R5、R6、C4、D1、D2組成緩沖器,和開關MOS管并接,使開關管電壓應力減少,EMI減少,不發生二次擊穿。在開關管Q1關斷時,變壓器的原邊線圈易產生尖峰電壓和尖峰電流,這些元件組合一起,能很好地吸收尖峰電壓和電流。從R3測得的電流峰值信號參與當前工作周波的占空比控制,因此是當前工作周波的電流限制。
當R5上的電壓達到1V時,UC3842停止工作,開關管Q1立即關斷。 R1和Q1中的結電容CGS、CGD一起組成RC網絡,電容的充放電直接影響著開關管的開關速度。R1過小,易引起振蕩,電磁干擾也會很大;R1過大,會降低開關管的開關速度。Z1通常將MOS管的GS電壓限制在18V以下,從而保護了MOS管。
Q1的柵極受控電壓為鋸形波,當其占空比越大時,Q1導通時間越長,變壓器所儲存的能量也就越多;當Q1截止時,變壓器通過D1、D2、R5、R4、C3釋放能量,同時也達到了磁場復位的目的,為變壓器的下一次存儲、傳遞能量做好了準備。IC根據輸出電壓和電流時刻調整著⑥腳鋸形波占空比的大小,從而穩定了整機的輸出電流和電壓。 C4和R6為尖峰電壓吸收回路。
聯系方式:鄒先生
座機:0755-83888366-8022
手機:18123972950(微信同號)
QQ:2880195519
聯系地址:深圳市龍華區英泰科匯廣場2棟1902
搜索微信公眾號:“KIA半導體”或掃碼關注官方微信公眾號
關注官方微信公眾號:提供 MOS管 技術支持
免責聲明:網站部分圖文來源其它出處,如有侵權請聯系刪除。
