20種摩托車充電器電路圖 摩托車充電器電路圖大全解析 KIA MOS管
信息來源:本站 日期:2018-05-08
有些摩友會好奇“電路圖”對摩托車維修和改裝而言,能起到什么作用?它能讓我們充分了解摩托車電子部件的種類、性能、特征、特性以及在電路中的符號、在電路中的作用和功能等,懂得哪些參數會對電路性能和功能產生什么樣的影響,為進一步熟悉了解“摩托車電氣部件”奠定了良好的基礎,也就更容易深化自己對摩托車整車控制性能的認知。
摩托車充電電路圖該充電器只利用了交流電的正半周充電,充電速度較快,且能延長電池壽命,在普通的么托車上使用該充電器,性能極好,可省燃油5%左右,是一個實用的充電電路,此充電器的作者正在使用中。
工作原理:(如上圖)交流電壓同時加到D1和SCR,經過D1的半波整流后通R1、R2、Q1、R3向SCR提供觸發電壓,此時SCR給電池充電,當電池電壓上升至13.5V時ZD1導通,電壓經過R5、D2向Q2提供偏壓,使Q2導通,Q1反偏截止,SCR停止輸出,當電池電壓低于13-13.5V時。
充電電路特點:本充電器直接使用220V交流市電,通過觸發電路的控制,實現其輸出電壓從0V起調,適合于對 12V-220V的蓄電池(組)充電。
工作原理 :電路工作原理見圖1。由電源電路、觸發電路和主控電路三部分組成。220V市電經電源開關S-S'、電源變壓器T1降壓后,由二極管VD1-VD4組成的全波整流電路整流,變為脈動直流電源。一路經電阻R1限流和穩壓二極管DW穩壓,輸送約18V的梯形波同步穩壓電源,作為時基集成電路NE555及其外圍元件構成的無穩態振蕩器RC延時環節的電源;另一路經過三端穩壓集成電路IC1 AN7812送出12V穩定的梯形波同步穩壓電源IC2的工作電源。觸發電路由IC2 NE555及R2、R3、RP、C1、C2等元件構成,振蕩周期小于10ms固定不變,僅可改變輸出矩形波占空比的無穩態振蕩器和R4、脈沖變壓器T2形成觸發脈沖。振蕩器之所以采用18V和12V兩路同步穩壓電源,目的是增大輸出矩形波的占空比,即增大觸發脈沖的移相范圍。本觸發電路的移相范圍大于120°,調節電位器RP即可輸出不同觸發角的觸發脈沖,從而達到控制可控硅VS導通角的目的。
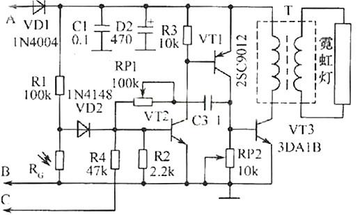
摩托車尾牌加裝的霓虹燈閃光器電路圖與工作原理:為摩托車尾牌加裝如圖所示的霓虹燈閃光器,可以增加摩托車夜行時的安全,引起尾隨其后的車輛注意,同時它也可在摩托車剎車時隨著尾燈而閃爍。該裝置可取一段長短恰能環繞車號牌一周的霓虹燈管,作車牌的夜行照明顯示。VT1、VT2構成一個互補型的無穩態多諧振蕩器,BP1、C3決定了振蕩器的工作頻率,RP2上的信號電壓經VT3放大推動升壓變壓器T,這樣在T的次級感應出高壓脈沖而使霓虹燈發光。
元器件選擇:圖中除已標明的器件型號外,光敏電阻可選用M45系列,要求暗阻>1MΩ,而亮阻<10kΩ;脈沖變壓器T可選取E12型磁芯MXQ-2000,初級用Φ0.51mm的漆包線繞45匝,次級用Φ0.21mm的高強度漆包線繞1500匝左右而成。若無繞制條件,也可用成品9V/3W以上的電源變壓器代用,將其初次級反接,但使用效果較之上述的專用高頻變壓器要差一些,這時還應選取擊穿電壓在200V左右的霓虹燈管。
摩托車變色閃光尾燈的電路如圖所示。閃光尾燈由紅、綠燈交叉組成。正常行駛時,紅、綠燈按編程順序流動發光。剎車時,所有綠燈熄滅,而所有紅燈點亮。
摩托車工具箱用LED閃爍板原理分析,當電源從1端接入時V2導通,IC2得電工作。CD4017構成六進計數器,其時鐘脈沖由IC1組成的多諧振蕩器提供。由于2端沒有加電,V1截止使LED只受IC2控制,閃光效果為從中間向兩邊巡回點亮。振蕩頻率由R2、R3、C3決定,閃爍較快。當電源由2端接入時,V2截止,V1導通,IC2不工作,LED受IC1輸出控制。由于D3導通,IC1的振蕩頻率由R2、R3、C2、C3決定,閃爍較慢。閃光效果為整排LED一起亮。
工作原理:為摩托車尾牌加裝如圖所示的霓虹燈閃光器,可以增加摩托車夜行時的安全,引起尾隨其后的車輛注意,同時它也可在摩托車剎車時隨著尾燈而閃爍。該裝置可取一段長短恰能環繞車號牌一周的霓虹燈管,作車牌的夜行照明顯示。VT1、VT2構成一個互補型的無穩態多諧振蕩器,BP1、C3決定了振蕩器的工作頻率,RP2上的信號電壓經VT3放大推動升壓變壓器T,這樣在T的次級感應出高壓脈沖而使霓虹燈發光。
電路原理如圖所示:S1是電源開關,由車鎖控制,S2為原剎車燈控制開關。閉合開關S1,由于電容C1兩端的電壓不能突變,IC的②腳為低電平,剎車燈H亮,幾秒鐘后,由于C1被放電,使IC的②腳電壓高于1.6V時,燈H熄滅。當行駛中的摩托車遇到情況減速或停車時,開關S2閉合將C1兩端短路放電,使開關IC的②腳變成低電平,剎車燈H隨即被點亮,S2復位后,H須延時幾秒鐘后才能熄滅。
摩托車防盜報警器原理圖中一個555集成電路在單穩態定時器電路相連,它在一段預設的時間段內開啟了場效應晶體管和警報器或自行車喇叭圈。開關S1是用作開啟/關閉開關。無論關閉兩個開關中的任何一個,S2和S3,都將會觸發集成電路。當任何一個關閉的時候,UI的引腳2變低電平。
發射機部分:繼電器K和可控硅VS用來控制發射機電路的電源。IC1組成警聲信號電路。晶體管V及其外圍元件組成射頻振蕩電路,發射報警信號。在等待狀態時,開關S1接通,而SB1斷開(即車頭鎖被鎖住),K就處在釋放狀態,報警發射機不工作。當車頭鎖被打開時(即SB1接通),VS被觸發導通,K吸合,接通發射機電源。SB1接通后,K-2的常開點將其自鎖,此時只有斷開S1報警方能結束。在K動作時,其常閉觸點K-l斷開,切斷發動機點火電路。接收機電路由TDA7010和開關功放TWH8778、TWH68組成。當IC2 收到報警信號時其互腳的高電平通過IC3經IC4放大由TWH15放出報警聲。但要考慮到頻率的穩定性,因為7010自身沒有頻率穩定電路,在工作時要多作檢測,最好用印制板和貼片元件。
本裝置電路如圖所示。磁電機輸出的交流電壓經二極管D1~D6整流后變成脈動直流電壓分兩路輸出。一路由Q1、Q2、Q3、R1、R7、DW1,以及C2組成的典型晶體管串聯穩壓電路穩壓后輸出16V電壓,經D8給蓄電池充電;另一路經D7隔離后由C1濾波、IC1穩壓得到12V直流穩定電壓對運算放大器IC2供電,并且經電阻R6接至IC2的②腳作基準電壓,蓄電池的電壓經R4、R5分壓后送至IC2的③腳作為比較電壓。當蓄電池的電壓低于14。4V時,加至IC2③腳的比較電壓比②腳的12V基準電壓低,運算放大器輸出低電平,Q4截止,Q1~Q3正常工作輸出16V電壓。當蓄電池的電壓高于14。4V時,IC2的③腳比較電壓高于②腳基準電壓,IC2輸出高電平,Q4飽和導通,分流掉流入Q3基極的電流,從而造成Q1Q2的輸出電壓大幅下降,D8截止,停止向蓄電池充電和向電器供電。此時,車上的電器均由蓄電池供電。當蓄電池的電壓再次低于14。4V時,則IC2又輸出低電平,Q1、Q2又正常輸出。顯然,當蓄電池充滿電時,磁電機幾乎工作在空載狀態,而不像常規的硅整流穩壓器那樣處于大負荷短路狀態,這就達到了節能的目的。電路中R3為IC2的正反饋電阻,R7用于在Q1Q2截止時給蓄電池進行涓流充電,D9的作用是保證某些運算放大器的微量零漂輸出不至于導致Q4導通,而產生誤動作。
此6v轉12v電路是一個簡單的電路圖,可以提供高達800mA 12V電源。適用于摩托車音響等簡單的電路中。通過修改電路中的一些元件,可以改變不同的輸出電壓。
1、L1電感為直徑為0.5mm漆包線,80匝,外徑40毫米環形磁芯。
2、D3的值不同可以被用來調整從約0.6V至30V的左右不同的輸出電壓。請注意,在高電壓的電路可能電流提供不足。
3、C3可用一個較大的值,以提供更好的濾波。
電路中與非門A2A、A2B和電阻R1及C3組成高頻振蕩器,其輸出接在V2的基極;A2C、A2D、R2、C4組成低頻振蕩器,控制與非門A2A的一個輸入端1的電平。當低頻振蕩器輸出端10腳為高電平時,A2A打開,高頻振蕩器起振,A2A信號加在V2的基極,使其工作在開關狀態。V2的發射極接到高頻變壓器T的一次線圈,在其二次側產生一系列高頻脈沖信號。該信號觸發雙向晶閘管V3導通。當低頻振蕩器輸出端為低電平時,A2A的輸出端3為高電平,V2、V3截止。當低頻振蕩器輸出端又變為高電平時,V3又變為導通。這樣周而復始地振蕩下去,V3將斷續導通。如轉向開關S打到左(L)或右(R)位置時,由于V3的斷續導通,使得轉向燈也斷續發光而產生閃光效果。若在V3的陰極或陽極并聯一個揚聲器,則在轉向時可發出聲響,并提醒駕駛員在轉向后不要忘記關閉轉向燈。
摩托車電子喇叭一般是使用電磁振動式的,其內部有一組線圈。通電后產生磁場,吸合振動膜發聲,它的優點是結構簡單。但是其工作電流大,一般最小工作電流也達1.5A,而另加裝的高低音蝸耳式喇叭,工作電流高達3A,使用時對喇叭開關及線路易造成損壞,下面介紹一種低功耗高響度電子喇叭。
電路如圖所示。NE555構成音頻振蕩器電路,音頻信號經其3腳輸出,直接耦合至由三極管 VT1、VT2、VT3構成的復合管功放電路進行放大,然后推動喇叭Y發聲,因功放采用三管復合放大,故其放大倍數很大,所以該電路耗電省,響度高,達到122dB,經測定,其工作電流小于0.5A。
制作時,喇叭Y用4Ω、5W以上的小口徑高音動圈式電喇叭,如能找到動圈式號筒形警笛喇叭則效果會更好;調節R 可改變Y的發音效果。也可通過改變C1的值來實現。注意Y要安裝于防水處。
有人動車時,振動傳感器ZC接到振動信號,經IC1D放大,再通過 C3、R7組成的微分電路,將低電平信號耦合到IC1C的輸人端,輸出端輸出高電平“l”,通過R8為四聲集成電路IC2提供電源,IC2發出的警報聲經V2的推動,再經V5功率放大發出聲音。同時,10腳的“1”信號通過D2將12腳置于“l”封鎖了輸人端,因此IC1D可以保持11腳輸出低電平“0”。C3、R6組成微分電路,隨著時間的延長,8、9腳的電位升高,當升高到IC1C的輸人閾值時,IC1C 翻轉,輸出“0”,警報聲停止,進人警戒狀態。引線3接車鑰匙提供的正電源。引線4接喇叭開關。
如附圖所示。通電復位,電路進入工作狀態。液晶顯示屏顯示“892051”字樣。3秒鐘后,前兩位顯示當前車速,后四位顯示當前車里程。按下K1夜燈點亮,以方便駕駛員在夜行時看時速表,再次按下Kl則關閉夜燈;按下K2則里程表清零。
摩托車在行駛時,安裝在摩托車輪轂上的四片磁極跟著車輪一起轉動,當磁極經過安裝在磁極運行軌道附近的霍爾磁傳感器(IC4)時,磁傳感器②腳電平就會輸出脈沖信號。這一脈沖信號即是車輪轉動的頻率信號。由于N、S磁極各感應磁傳感器一次,其②腳電平就變化一次。所以從磁傳感器上獲得的頻率實際是摩托車車輪轉動頻率的兩倍。
從磁傳感器②腳輸出的兩倍轉速頻率信號先送至Q2進行放大,再經由兩個與非門構成的觸發器送至單片機AT89C205l的P3.4腳進行頻率計數,從而得出當前摩托車時速。設摩托車車輪的周長為L,所測得的頻率為N,則當前摩托車的時速V=(N/2)×Lx3.6km/h。
一、兩種電子點火電路及其工作原理
上圖和下圖是兩種點火器電路,其基本原理都是由主點火線圈L1向C1充電,控制線圈L2觸發可控硅,使C1向L3放電,由L4感應出高壓完成點火。
上圖是一種自動跟蹤電路。L2產生的相位脈沖由IC(2)腳輸入,再由IC(1)腳輸出。IC(12)、(13)腳及其外圍元件設定的積分電壓波形與內部進角電壓波形比較。控制進角開關開通。
因此,IC(10)腳輸出的信號會跟蹤發動機轉速度變化而自動調整點火提前。但這一電路在國產摩托車實際應用中故障率高。原因是點火器塑料盒子體積小,長寬只有6.5cm×3.2cm,所以元件排列密度大,加上國產小型化元件離散性大。很多這種點火器在工作一至兩年后出現車子打火難和馬力下降等現象。此外,這種電路元器件多、成本高,不適合讀者制作和生產。
下圖是一種既簡單又實用的電路
其工作原理是L1產生交流電壓經D3整流向C1充電,控制線圈L2電流經D1整流,再經R1、R2、R3限流分壓后觸發可控硅導通,電流經L3并在L4上產生高壓完成點火。
二、對電路下圖的改進
下圖電路使用效果較上圖電路為差,在車子加油提速時尤為明顯。經過長時間的實驗和改進,其使用效果不但可以與上圖電路相比,而且車子的加油提速效果更好。
1.改動方法及效果
A、增加C1容量,即增加放電電流;
B、選用電流比2P4M大一倍以上的可控硅;
C、根據新選用的可控硅特性調整可控硅G極相關的元件參數(需在車子上反復調試確定)。
經過改進的點火器,用戶使用普遍感到滿意。其原因是加大電流后火花增強,而車子在加大油門時,氣缸內混合氣濃度增加,霧化也相對變差,這時只有加強火花,才能使混合氣瞬間充分燃燒。如需生產下圖的點火器,除準備上述元器件外,還需備有連接插頭、電路板、塑料盒子、環氧樹脂等。
2.簡要制作過程
先將插好的電路板細心地檢查,排除錯焊、假焊,然后放進塑料盒子內,接著放人石米作填充料,最后將混合好的環氧樹脂倒進去,經4h~6h固化即可。這種點火器性能好,制作成本低,適合以家庭工廠形式組裝生產。
聯系方式:鄒先生
聯系電話:0755-83888366-8022
手機:18123972950
QQ:2880195519
聯系地址:深圳市福田區車公廟天安數碼城天吉大廈CD座5C1
請搜微信公眾號:“KIA半導體”或掃一掃下圖“關注”官方微信公眾號
請“關注”官方微信公眾號:提供 MOS管 技術幫助
